东莞市汇德能源科技有限公司
机器人智能电池设计方案
上一个:48V50AH储能锂电池组设计方案 下一个:26650 便携特种用途锂电池51.8V40Ah
详情介绍

引:(关键词:机器人电池) 机器人(工业机器人和服务机器人)供应量在大多数行业都呈现出上涨的态势,随着IT技术的高速发展,全球已经进入了全力打造智能型机器人的全新时代。而配套锂电池则需要满足机器人的机械结构、控制驱动系统、感知系统、交互系统等多种功能集成需求,解决机器人在复杂环境中的运动能力,提升机器人的整体感知和决策能力。

一、机器人智能电池设计要求:

根据客户的要求和规格,设计与主机配套的机器人智能电池组,将带通信协议的智能电量计、锂电池及安全保护性能集成到你的解决方案中去,可达到智能电池组与主机信息共享,最终实现合理、高效、安全的电池管理方案。在整个方案的设计过程中,以实现同主机的最完美的整合为方向,以确保电池、电池组及整个系统的安全性为前提,以满足相应的设计法规及认证法规为首选考虑。同时为了确保锂电池的安全性和可靠性,电池组内部都要采取多层保护,防止锂电池过充电,过放电或短路而被破坏。

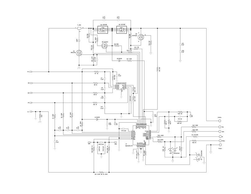
二、机器人智能电池设计方案: 1.UR18650FM锂离子电芯/UR18650FM Li-ion cell(SANYO)。 2.电池组规格:18650-4S4P-10400mAh-14.4V 3.保护板(PCM):主要是对可充电电池组(一般指锂电池)进行设计的保护线路,由于锂电池本身的化学特性,需要提供过充、过放、短路、过流等及过温等保护功能。以避免引起的燃烧、爆炸等危险。 4.保护IC(Protection IC):设计方案的主要保护功能芯片,对电芯进行过充、过放、过流、短流等功能的在线时时监测。使电芯在安全稳定高效的范围内工作。 5.场效应管(MOSFET):MOSFET管,在保护电路中起开关作用,永远使负载两端的电压不会升高也不会降低,保证电压稳定。 6.电量管理控制芯片(BQ40Z50-R1):功能完整的电量检测计,具有一个测量电压与温度的模数转换器(ADC) 和一个测量电流与充电感测的模数转换器。电量检测计具有一个微处理器,负责执行电量检测计能够提供剩余电量状态(Remaining State of Capacity)等信息,BQ40Z50-R1产品还提供剩余可运行时间 (Run Time to Empty)。主机可随时向电量检测计查询这些信息,将电池信息通知用户。电量检测计的使用非常方便。让使用者随时掌握电池电能。 7.电池组封装(PVC)。 8.机器人智能电池设计方案原理图: 三、机器人智能电池产品实现图: 14.4V10400mAh餐厅机器人锂电池组 主要技术参数(@电池初始温度25±5℃)
序号 项目 标准 备注
1 立项号    
2 电芯型号 ICR18650B4/2600mAh/3.6V  
3 电池组合 18650-4S4P-10400mAh-14.4V  
4 额定容量 10400mAh 可定制
5 最小容量 9880mAh  
6 能量 149.76Wh  
7 标称电压 14.4V 可定制
8 出货电压 ≥15.2V  
9 内阻 ≤150mΩ  
10 充电限制电压 16.8±0.2V  
11 浮充充电电压 16.85±0.2V  
12 标准充电电流 2080mA    
13 最大充电电流 3500mA    
14 标准放电电流 2080mA   可定制
15 最大放电电流 3500mA   可定制
16 峰值放电电流 能承受1400mA/0.1s  
17 终止电压 12.0V  
18 尺寸 长  150±1 mm 可定制
    宽   72±1 mm 可定制
    厚   39±1 mm 可定制
19 重量 约   780g±0.5g  
20 输出方式 电源线引线 可定制
21 工作温度 充电:0~45℃  
    放电:-20~60℃  
    推荐工作温度:15℃~35℃  
22 自放电率 剩余容量:   ≤3%/月;    ≤15%/年  
    可恢复容量: ≤1.5%/月;   ≤8%/年  
23 储存环境 小于1个月:-20~+35℃、45~75%RH   
    小于3个月:-10~+35℃、45~75%RH  
    推荐存储环境:15~30℃、45~75%RH  
24 质保期 12个月  
25 执行标准 GB31241-2014
长时间存储: 当电池需要长时间存储时,应充电至接近50% 电量状态下,电压约为15.2V,并放置在推荐的存储条件下。每6个月至少做一次完整的充放电循环(先充电后放电再补电50%)。 应用领域: 迎宾机器人,智能机器人,智慧办公机器人实现办公区域安防监控、vip识别、远程视频、远程会议等功能为企业店铺实现商用级别移动化远程管理,云智能化分析服务,如客流转化率分析,客流支线分析,收银防损,智能抓图。 主要特点: 1、精确电量检测:采用智能电量检测计IC计算剩余电量,精度达15%; 2、多重保护功能:过充、过放、过流、短路过温等;
东莞市汇德能源科技有限公司 版权所有
技术支持:东莞网站建设